



฿ 0
Spare part VOE 11102300 Sun Gear (Volvo)
VOLVO
รายละเอียดสินค้า
หมวดหมู่หลัก
ประเภทเครื่องจักรกลหนัก/เครื่องจักรกลก่อสร้าง
ยี่ห้อ
จังหวัดที่ตั้งสินค้า
ข้อมูลเพิ่มเติม
ห้างหุ้นส่วนจำกัด สยามเจริญจักรกลหนัก นำเข้าและจำหน่าย เครื่องจักรกลหนัก วัสดุและอุปกรณ์ ทุกชนิดจากต่างประเทศ
Spare part VOE 11102300 Sun Gear (Volvo)
Part NoVOE 11102300
Part NameSun Gear
Replacement parts for VOE 11102300 Sun Gear
Replace Part NoPart NameVOE 4717263Sun GearModels contains the part VOE 11102300 Sun GearArticulated HaulersA25C; A40; DA25D; A40D; A25D; A25; A25B; A25C; A40;
Old products Volvo BM4600; 4600B; 5350B; L160;
Wheel LoadersL150;
Nodes contains the part VOE 11102300 Sun Gear
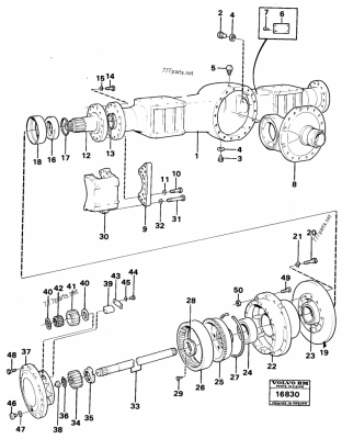
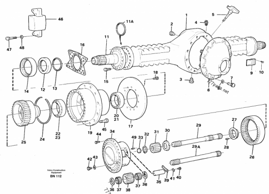
ModelSection nodeA25CRear axle 1 / Planet axle, rear, 4x4.
PROD NO 23555 AH71B, 23782 AH71CA40Front axle / Planetary axle, motor unit
AHW71C PROD NO 23746A40Rear axle 1 / Planetary drive
AHW71D PROD NO 23747A40Rear axle 2 / Planetary drive
AHW71E PROD NO 23748DA25DRear axle 1 / Hub reduction, axle 1 load unit
AH71E PROD NO 23942, 4X4A40DFront axle / Hub reduction, motorunit
AHW 71L PROD NO 23789, AHW 71O PROD NO 23926A40DRear axle 1 / Hub reduction, axle 1 load unit
AHW 71M PROD NO 23790, AHW 71 P PROD NO 23927A40DRear axle 2 / Hub reduction, axle 2 load unit
AHW 71N PROD NO 23791, AHW 71Q PROD NO 23928A25DRear axle 1 / Hub reduction, axle 1 load unit
AH71E PROD NO 23942, 4X4A25Front axle, rear axle / Drive shaft 4x4 rear ah71 b Prod Nr 23555A25BFront axle, rear axle / Drive shaft 4x4 rear ah71 b Prod Nr 23555
AH 71B, 23555A25CRear axle 1 / Planet axle, rear, 4x4.
PROD NO 23555, AH71BA40Front axle / Planetary axle, motor unit
AHW71C PROD NO 23746A40Rear axle 1 / Planetary drive
AHW71D PROD NO 23747A40Rear axle 2 / Planetary drive
AHW71E PROD NO 237484600Hydrostatic drive / Drive axle, front4600BFront axle, rear axle / Drive axle,front.
PROD NO 235194600BFront axle, rear axle / Drive axle, rear.
PROD NO 235535350BFront axle, rear axle / Drive shaft, rear.
PROD NO 23555, AH 71 BL160Front axle, rear axle / Drive shaft, front.
23519L160Front axle, rear axle / Drive axle, rear.
23553, 23578L150Front axle / Planet shaft, front
AH70N
แก้ไขล่าสุดเมื่อ : 11/5/56สร้างเมื่อ : 11/5/56เลขที่ประกาศ :vjLypbXVlm
ตรวจสอบอีกครั้ง! เพื่อความมั่นใจ
Truck2Hand คัดกรองผู้ขายในเบื้องต้นแล้ว แนะนำให้ ตรวจสอบอย่างละเอียดอีกครั้งก่อนตกลงซื้อขาย
ดูวิธีตรวจสอบ